Ladbrokes: Desktop and Mobile: Requirements & Iterative Design

Problem

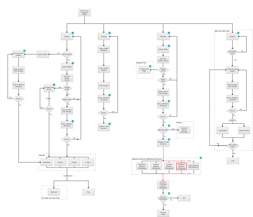
Customers needed a way to add and manage multiple payment cards to support checkout, plus deposit and withdrawal journeys. The flow had to work across desktop and mobile, and align with technical and third-party provider constraints.

What I did

  • Worked closely with the technical architect to design the end-to-end multi-card process (add/manage cards, selection, and use across checkout + deposit/withdraw).
  • Ran multiple stakeholder sessions to gather requirements, confirm edge cases, and iterate designs based on feedback.
  • Attended meetings with third-party payment providers to capture requirements, constraints, and integration considerations.
  • Translated requirements into clear user flows and UI behaviours (e.g., card selection, default card, managing saved cards).
  • Iterated the solution through review cycles with stakeholders and the architect to ensure it was both usable and buildable.

Key decisions / considerations

  • Designed for clarity and control: users can see which card is used for which action (checkout vs deposit/withdraw).
  • Reduced friction on mobile by keeping interactions lightweight while retaining essential management actions.
  • Ensured behaviours aligned with provider/architecture realities so the design wouldn’t break at implementation.

Outputs

  • Desktop + mobile flow designs for:
    • add/manage cards
    • select card for checkout
    • select/manage cards for deposit and withdrawal
  • Requirement notes and iteration history from stakeholder/provider sessions

Outcome

Delivered a consistent, implementation-ready multi-card experience that supported checkout plus deposit/withdraw use cases, aligned to stakeholder requirements and third-party payment constraints.

Methods / Tools

Requirements workshops; stakeholder reviews; provider scoping sessions; iterative interaction design. (Specific tools not stated.)ysis; stakeholder workshops; employer interviews/research (remote + in person); synthesis; personas/journeys; prototype testing.